НР2-40.29.3-3л
Характеристики изделия:
| Параметр | Значение | 
|---|---|
| Длина | 3995 мм | 
| Ширина | 300 мм | 
| Высота | 2900 мм | 
| Масса | 3350 кг | 
| Нормативный документ | Серия 1.132-1 | 
Цена:
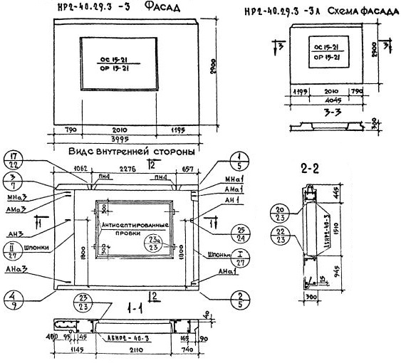
Рассчитать стоимостьНР2-40.29.3-3л Наружная стеновая панель рядовая по Серии 1.132-1.
| Параметр | Значение | 
|---|---|
| Длина | 3995 мм | 
| Ширина | 300 мм | 
| Высота | 2900 мм | 
| Масса | 3350 кг | 
| Нормативный документ | Серия 1.132-1 | 
НР2-40.29.3-3л Наружная стеновая панель рядовая по Серии 1.132-1.